三明治开发套件由涂鸦智能推出,其包含一系列不同种类的电源板、主控板、无线通信板和功能板。不同的板可以像三明治一样层层组合, 无需焊接, 自由搭配出无数种产品形态, 让您快速完成完整的 IoT 产品原型、测试、演示及投产。它兼容 Arduino 的开源规范,提供与 Arduino 兼容的引脚布局,您可以很方便地利用已有的海量 Arduino 周边元器件来丰富你的产品原型。
  本次推出离线语音三明治开发套件测评活动,该套件由离线语音 Wi-Fi 通信板、直流供电电源板、以及照明PWM功能板共同组成,能让开发者快速体验离线语音控制,使用本地语音控制灯光开启、关闭,不受网络环境限制,上电即可语音控制,零距离感受语音控制的魅力。
云端链路:


Wi-Fi版本:型号TYDE5-VCT2+WB3S,离线语音模组VCT2 + Wi-Fi模组WB3S
涂鸦离线语音+IoT开发板,是一款能让开发者快速实现语音智能硬件原型的工具。其包含语音模组、Wi-Fi模组WB3S、LED 指示灯、自定义IO接口。开发者可通过该开发板,搭配其他三明治功能电路,比如PWM灯板,电源板,实现自定义的功能。涂鸦离线语音+IoT开发板有两款版本,分别为Wi-Fi和Zigbee版本,此次评测的为Wi-Fi版本。
语音模组:实现语音本地识别和动作。开发板预置三路排插的功能固件,后续将开放云端自动生成固件的功能,支持开发者自助生成固件。
IoT模组:实现本地指令和云端的DP点同步,以及APP的控制。

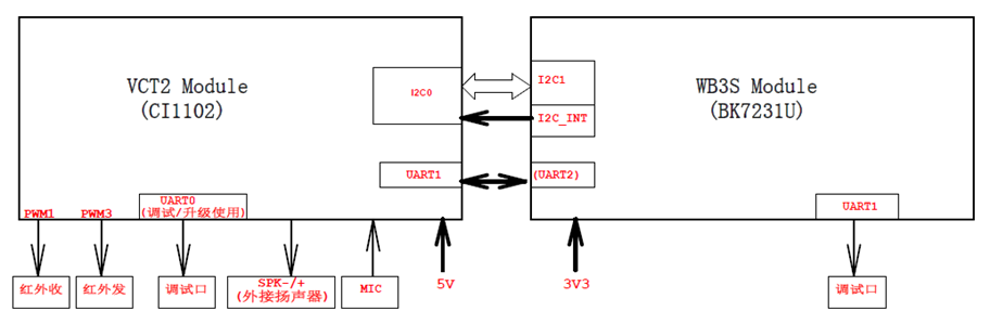
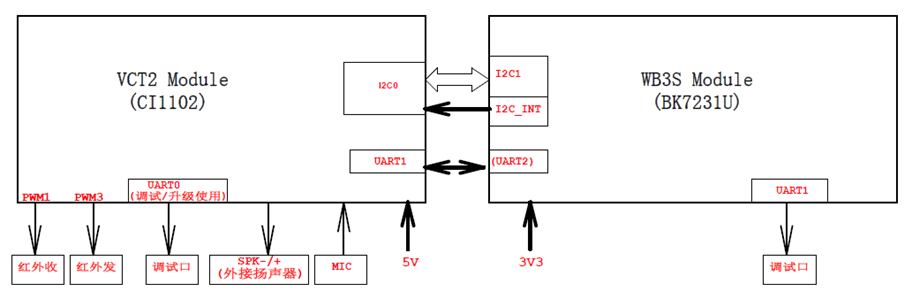
开发板硬件接口
开发板实物(Wi-Fi和Zigbee版本硬件接口相同)



U1为WB3S模组:PIN7和PIN14为I2C接口,用于与U2语音模组的语音指令相关的数据传输。PIN10脚为IIC_INT中断引脚,当U2在IIC接口向U1发送数据前,IIC_INT被U2拉低。U1模组的PIN15和PIN16为客户UART,用于和客户MCU串口对接。当需要将语音模组当做客户MCU时,可以短路CN2和CN6跳线帽实现。PIN17-20为IoT模组的FLASH烧录口。
U2为离线语音模组:PIN1和PIN2为模组UART0,用于模组本身的调试和升级等。PIN3和PIN4为I2C信号,和IoT模组传输语音相关数据。PIN18为I2C_INT中断引脚。PIN5,6,7,8和17为PWM输出引脚。PIN7默认作为唤醒指示灯,PIN8默认作为网络指示灯。PIN9和PIN10为模组UART1,当作为客户MCU角色时,用于和IoT模组通讯,接收IoT指令,实现具体功能。PIN12为MIC+引脚。PIN13是烧录控制脚,上电时拉高进入烧录模式,正常工作需要下拉。PIN15和PIN16为SPK引脚,外接1.8W内的喇叭。
2、涂鸦三明治直流供电电源板

涂鸦三明治直流供电电源板是涂鸦三明治开发套件中的一部分,用于给涂鸦三明治其余相关的部件供电。
灵活输入:标准的 Arduino 外形尺寸,有 DC-005 直流 12V 输入和 Micro USB 直流 5V 输入;
输入过压保护:在 12V 和 5V 输入端,分别具有;12V TVS 管和 5V TVS 管;
防反接电路:12V 输入端有保险电阻和 TVS 管构成的防反接电路;
防电流倒灌:SS14 防止 5V 供电时电流倒灌;
BUCK 电路:选用矽力杰 SY8012B 芯片,具有 5V1A,3.3V1A 的供电能力,效率高,SOT23-6 封装;
指示灯:12V、5V、3.3V 三种电源输出都有相应的指示灯。
3、涂鸦三明治(PWM)照明功能板

涂鸦三明治(PWM)照明功能板是一款支持彩灯五路调光的 LED 控制器,是方便开发者快速实现各种智能硬件产品原型的一款开发板。(PWM)照明功能板提供了丰富的控制接口。
硬件方案输入 5VDC,通过 DC-DC Boost 升压输出 18V DC,用于暖白,冷白,RGB 灯珠供电。
无线模组链接:可连接 Wi-Fi,蓝牙,Zigbee 等无线模组,模组通过相应的 PWM 信号控制调节亮度色温及炫彩 RGB。
DC-DC 升压电路采用 SY7208L 升压控制芯片,冷白,暖白控制采用 SLM211A DC-DC 降压型 PWM 线性恒流调光控制芯片。
RGB 控制采用 BP168CJ DC-DC 降压型 PWM 线性恒流控制芯片。
外围有丰富的 PWM 接口。通过 PWMC,PWMW,PWMR,PWMG,PWMB 五路 PWM 信号控制色温亮度及炫彩 RGB。
本开发套件适用于:
语音开发工程师:进行离线语音功能开发和功能调试,使用本地语音控制五路灯光。
创客:可快速实现硬件产品 demo,并快速通过手机App拓展更多语音场景控制。
IoT 技术爱好者:了解语音控制原理,学习智能语音硬件产品开发。
开发板使用说明:

离线语音模组固件更新下载:串口对接CN9的VTX和VRX,PG和3.3V短接。PC下载工具选择好固件,勾选开始,先连上板子,然后板子上电自动开始升级固件。

语音配网
Step 1 设备上电后,对设备说“开始配网”
Step 2 设备播报“确认进入配网模式,请说确认配网”
Step 3 对设备说“确认配网”
Step 4 设备播报“进入配网模式,请按手机App提示进行配网”
Step 5 打开涂鸦App,设备将会自动弹出,点击确认,等待设备连接网络
Step 6 设备配网完成,设备播报“配网成功”

一、兑换形式
1、免费申请渠道参与步骤:选择板卡→申请免费试用→申请成功→电子芯吧客寄送板卡→确认收货,开始试用→试用完成→释放开发板→邮寄板卡至下一位使用者二、注意事项
1、每位用户同一板卡只能申请一次三、申请须知
1、活动期间使用任何舞弊行为的用户一经发现,即刻取消申请资格
                        
                        
                        